农药——防治危害植物及其产品的病、虫、草、鼠等有害生物和调节控制植物生长的物质。
农药分类
1.按化学结构:有机磷类、有机氯类、拟除虫菊酯类。
2.按用途分类:可分为杀虫剂、杀菌剂、杀螨剂、杀鼠剂、除草剂、特异剂和植物生长调节剂等。
3.按来源分类:可分为矿物农药、植物性农药、有机农药、微生物农药。
4.按作用方式分类,杀虫剂杀死害虫通常有触杀、胃毒、熏蒸和内吸四种作用方式。
5.化学合成农药和生物农药
南瓜视频带你另眼看世界集团为客户提供有杀虫剂、杀菌剂、除草剂等各种原药以及粉剂、颗粒剂、水剂、微乳剂等各种制剂的生产设备及生产线总包工程。

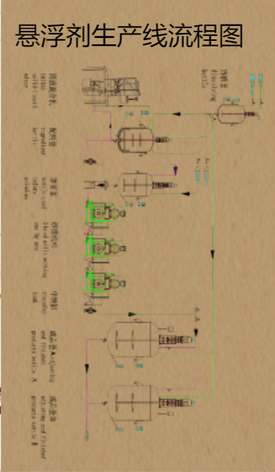
悬浮剂农药生产
悬浮剂主要由农药原药、润湿剂、黄色视频南瓜视频剂、增稠剂、防冻剂、pH调整剂、消泡剂和水等组成。但不同品种、不同规格的制剂配方各有不同,筛选合理的制剂配方是悬浮剂开发的重要工作。
1.悬浮剂加工工艺
一般地原料及助剂的输送计量,砂磨粉碎,调配混合,包装等。根据工艺的不同,采用均质乳化,混合等。
2.主要设备
农药悬浮剂的加工设备主要有:
(1)储罐,储罐:有不锈钢储罐或碳钢储罐等。大多用来储运原药,助剂等。
(2)粉体输送设备,气力输送设备是利用强压气力输送,通过压力发送器把压缩空气的能量传递给被输送物料,克服各类阻力将物料送往另一端。
(3)黄色视频南瓜视频机,广泛应用于医药、化工进行搅拌黄色视频南瓜视频、溶解的高效设备,广泛应用胶粘剂化工产品。
(4)南瓜视频在线观看入口,南瓜视频在线观看入口又称珠磨机,该机主要用于化工液体产品的湿式研磨,根据使用性能大体可分为立式南瓜视频在线观看入口,卧式南瓜视频在线观看入口、篮式南瓜视频在线观看入口、棒式南瓜视频在线观看入口等。
(5)乳化釜,间歇式高剪切黄色视频南瓜视频乳化均质机是通过转子高速平稳的旋转,形成高频、强烈的圆周切线速度、角向速度等综合动能效能。
(6)调和釜:对药液进行调和,根据工艺,添加助剂等。通过对容器的结构设计与参数配置,实现工艺要求的加热、蒸发、冷却及低高速的混配功能。
颗粒剂农药
农药可溶性颗粒剂的加工设备主要有:
(1)气力输送装置:是利用压缩空气通过真空发生器产生高真空实现对物料的输送,不需要机械式真空泵,具有结构简单、体积小、免维修、噪音低、控制方便、消除物料静电和符合GMP要求等优点。
(2)混合机,一般采用锥形混合机和双螺旋混合机,锥形混合机和双螺旋混合机广泛用于农药、化工等粉体与粉体(固—液)的混合。
(3)造粒机,造粒机是一种可将物料制造成特定形状的成型机械。广泛应用于化工、制药等领域。
(4)输送机,可进行水平、倾斜输送机,输送能力大,运距长,还可在输送过程中同时完成若干工艺操作,所以应用十分广泛。
可湿性粉剂农药生产
1.工艺流程
农药可湿性粉剂的质量,特别是细度和悬浮率指标的高低,不仅与配方有关,而且往往受加工设备、加工工艺制约。加工工艺和设备本身也因农药种类不同而异,必须对原药的理化性能选择合适的工艺路线。广州南瓜视频带你另眼看世界多年的农药行业历程,积累了丰富的设备及工艺经验,为您提供设备及技术解决方案。
根据原药及助剂的形态不同,工艺流程分为3部分:
(1)原药和助剂为固体的流程
(2)原药为液体,助剂为固体的流程
(3)原药为固体,助剂为液体的工艺流程
(4)特殊原药的工艺流程,应具体问题具体分析,选用特殊的工艺流程。
2.主要设备
农药可湿性粉剂的加工设备主要有:
(1)混合机,一般采用锥形混合机和双螺旋混合机,锥形混合机和双螺旋混合机广泛用于农药、化工等粉体与粉体(固—液)的混合。
(2)粉体输送设备:有粉体气力输送,螺杆输送。
(3)气流粉碎机,气流粉碎机主要适用于的粉碎机理决定了其适用范围广、成品细度高等特点,适用于易燃易爆、易氧化等物料的粉碎分级加工。
(4)包装机械,包装机械是指能完成全部或部分产品和商品包装过程的机械。 包装过程包括充填、
裹包、封口等主要工序,以及与其相关的前后工序。
乳油农药生产
1. 乳油生产工艺
乳油加工是按照一定配方,将原药溶解于有机溶剂中,再加人助剂,在搅拌作用下混合溶解,形成单相透明的液体。乳油产品质量控制因素:工艺流程、PH值、乳化性、黄色视频南瓜视频性、含量标准、透明度等。原药及溶剂储存区,通过输送计量装置,在反应釜中调制,再经过过滤装置,灌装成成品。
2.主要设备
农药乳油的加工设备主要有:
(1)输送泵,乳油输送泵是一种将符合泵送条件的乳油通过水平或垂直铺设的管道连续输送到浇注施工现场的乳油输送设备。
(2)气流粉碎机,气流粉碎机主要适用于的粉碎机理决定了其适用范围广、成品细度高等特点,适用于易燃易爆、易氧化等物料的粉碎分级加工。
(3)反应釜:反应釜分为不锈钢黄色视频南瓜视频釜和搅拌釜等,通常加加热装置。
(4)储罐:有不锈钢储罐或碳钢储罐等。大多用来储运原药,助剂等。
农药的剂型
1.粉剂
2.可湿性粉剂
3.可溶性粉剂(水溶剂)
4.乳剂(也称乳油)
5.超低容量制剂(油剂)
6.颗粒剂和微粒剂
7.缓释剂
8.烟剂

广州南瓜视频带你另眼看世界机电设备有限公司主要销售南瓜视频带你另眼看世界品牌研磨黄色视频南瓜视频设备。公司位于广州市增城区国家经济开发区“广深科技创新走廊”核心区,交通便利。汇集了众多的广州高新技术企业。南瓜视频带你另眼看世界机电咨询热线:020-82789228
南瓜视频带你另眼看世界供应全系列南瓜视频在线观看入口,纳米南瓜视频在线观看入口,卧式南瓜视频在线观看入口,实验室南瓜视频在线观看入口,涡轮南瓜视频在线观看入口,大流量盘式南瓜视频在线观看入口、搅拌黄色视频南瓜视频机等化工研磨黄色视频南瓜视频设备,为客户提供成套生产线设备的策划、设计和各种非标设备的设计制造。
应用于新能源电池、功能陶瓷、纳米粉体、医药材料、涂料、油墨、农药、染料、喷墨、食品添加剂等行业,取得广泛的市场认可。
南瓜视频带你另眼看世界设有黄色视频南瓜视频研磨实验室,为客户提供专业的试验、小试等服务,包括研磨效果评估,配方验证和改进,粒径分布分析,试验结果放大等,为客户提供清晰准确的数据,减少客户的前期工作量,避免选型错误,为工业生产积累数据。
南瓜视频带你另眼看世界倡导技术创新,产品创新,铸就了一支优秀的研发和生产团队。在应用创新、便捷维护、使用安全方面,南瓜视频带你另眼看世界产品尤为突出,多年来,为全球客户提供了大量解决方案和成熟稳定的黄色视频南瓜视频研磨整套设备。

广州南瓜视频带你另眼看世界机电设备有限公司备案号:粤ICP备22946961号 公司地址:广州增城区荔新12路60号
公众号二维码